間隙式均化庫
一、概述
間歇式均化庫是早期小水泥生產中常用的一種庫型,生料粉進庫裝到一定高度后停止裝料,通過庫內分區按時間順序輪流充氣攪拌,取樣化驗,直到生料成分均化合格才出庫。其特點是調配操作靈活,均化值可達10-12,電耗00.12-0.25kWh/t。
間隙式均化庫的均化效果高,適用生料成份波動小,且配料設備不夠準確的生料制備系統,出磨生料入庫裝到適當高度后,即通過分配閥或閥門按時間順序輪流充氣攪拌、取樣化驗、校正、再攪拌,直至生料成分合格出庫,其特點調配操作靈活,均化效果好。
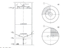
二、間隙式均化庫示意圖
.jpg)
三、技術參數表
| 小 6000 | 小8000 | ||||||
| 序號 名稱 | 規格 | IStM | 備注 | 謝各 | IStM | 備注 | |
| 1 | 收鱗 | HMd | 1臺 | HMC-64 | 1臺 | ||
| 2 | 六嘴生料分酉蹯 | *800 | 1臺 | 能力80t/h | *800 | 1臺 | 能力_i |
| 3 | 空氣輸鑛槽 | XZ315 | 1臺 | 能力60t/h | XZ315 | 1臺 | 能力_i |
| 4 | 充氣箱及管道 | 1套 | 1套 | ||||
| 5 | 卸襥置 | B500/315 | 1臺 | 能力:80 ~ 100t/h | B50Q/315 | 1臺 | 能力:® ~ lOOt/h |
| 6 | 空氣斜槽 | XZ315 | 1臺 | 工藝定 | XZ315 | 1臺 | 工藝定 |
| 7 | 筍四/八嘴回轉式空氣分酉擺 | *500 | 1臺 | 配用功率:1.5kw | *500 | 1臺 | 配用功率:1.5kw |
| 8 | 量倉孔門 | 小250 | 1臺 | 小250 | 1臺 | ||
| 9 | 檢修人孔門 | 700X 800 | 1臺 | 700X800 | 1臺 | ||
| 10 | _丨認孔門 | 600X 800 | 1臺 | 600X 800 | 1臺 | ||


